CT 系列

L/M型管堵

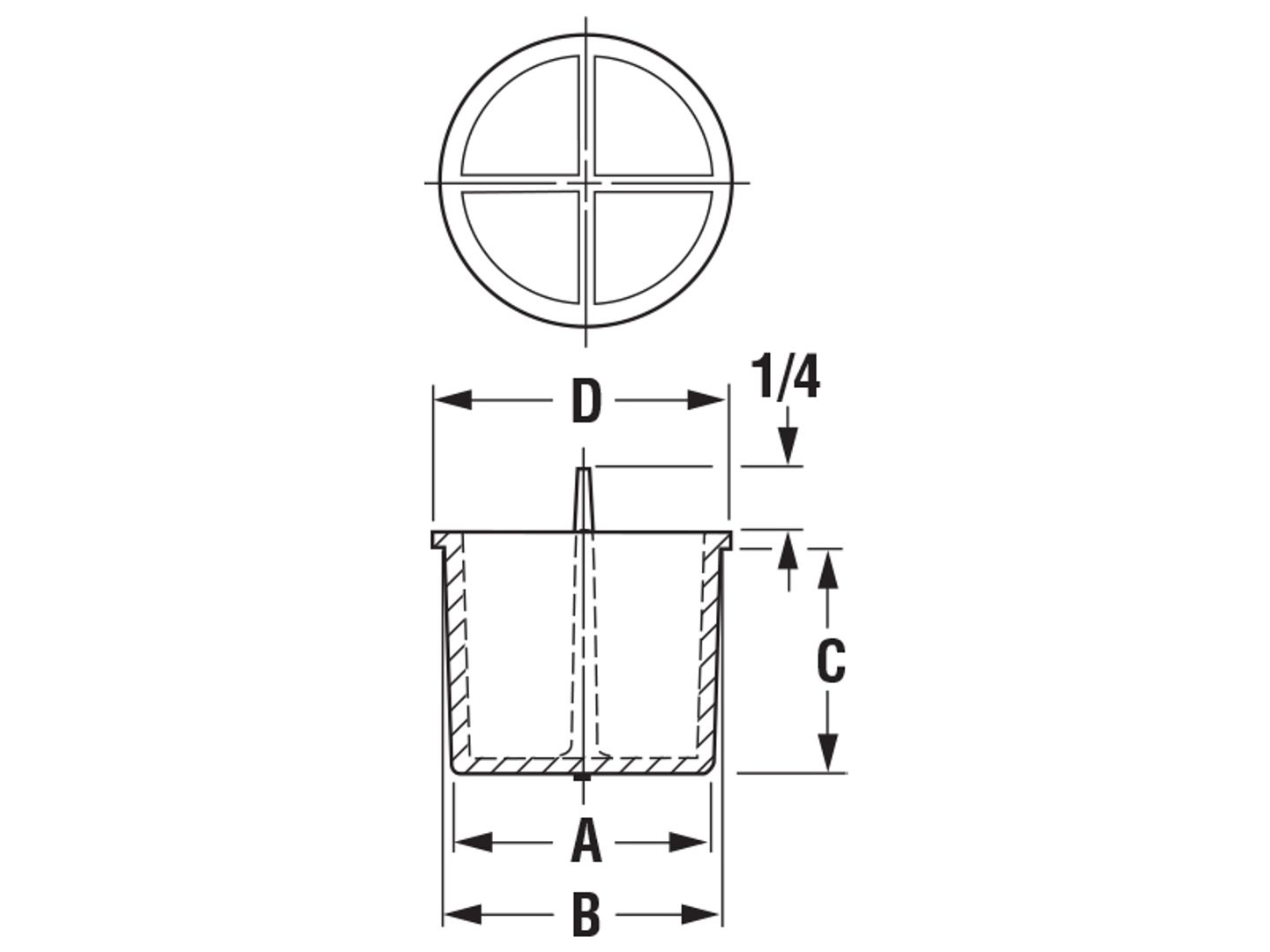
CT系列是专门设计用于L/M型铜管的管堵。锥形的外壁及加强十字肋为管材提供非凡的保护。

  • L/M型铜管

  • 设计经久耐用

  • 凸起的十字架设计方便装配和移除

材料:低密聚乙烯
使用温度: -70 - 79° C ( -94 - 175° F)
标准颜色:蓝色
 

如需产品报价和交货期,敬请拨打电话400-828-9096联系我们的销售团队。

所有的目录产品均可提供免费样品供您试用。

采购选项

使用产品尺寸进行过滤
输入最小和最大测量值以过滤列表。
最小 (${filter.dimType=='inch'?'In':'MM'})
最大 (${filter.dimType=='inch'?'In':'MM'})
${total} 零件尺寸
${item.name}: ${item.list}
清除
Item # ${item.name}
${item.name} ${item[getFieldName(itemA)]}
没有数据.
请在订购前利用我们的免费样品在您的特定应用/环境中测试零件。