WW 系列

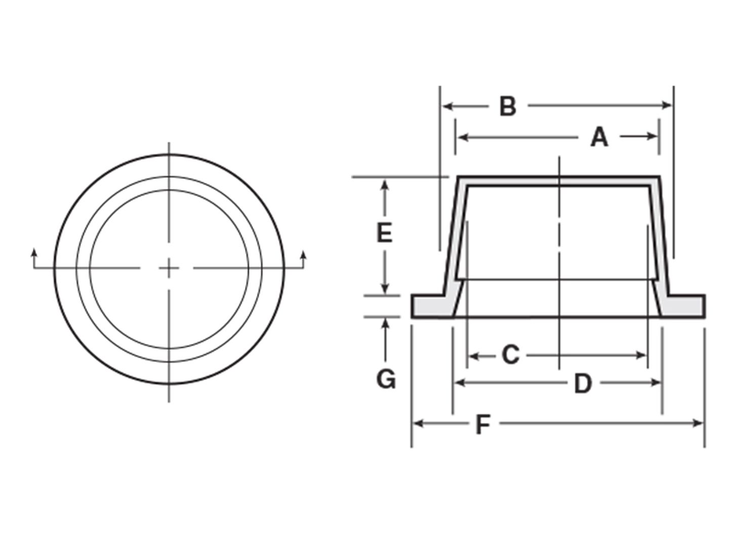
带宽厚边的锥形保护帽/保护塞

WW系列锥形塞/帽带有又宽又厚的边沿,以防止在其当作堵头使用时会被错误地”全部推入”。这种多用途的产品可以根据不同的目的被用作保护帽或保护塞。

  • 航空业认可的产品

  • 便捷安装和移除

  • 比WWX系列壁薄、边沿直径小

材料:低密聚乙烯
使用温度: -70 - 79° C ( -94 - 175° F)
标准颜色:黄色
适用规格: NAS 816

如需产品报价和交货期,敬请拨打电话400-828-9096联系我们的销售团队。

所有的目录产品均可提供免费样品供您试用。

采购选项

使用产品尺寸进行过滤
输入最小和最大测量值以过滤列表。
最小 (${filter.dimType=='inch'?'In':'MM'})
最大 (${filter.dimType=='inch'?'In':'MM'})
${total} 零件尺寸
${item.name}: ${item.list}
清除
Item # ${item.name}
${item.name} ${item[getFieldName(itemA)]}
没有数据.
请在订购前利用我们的免费样品在您的特定应用/环境中测试零件。