PTP 系列

纸质锥形塞

由100%可回收的天然纸张制成,这些PTP系列纸插头是有环保要求应用的理想选择。

  • 灵活性和锥形设计可以快速,简单地安装和拆卸

  • 可承受204°C的间歇性温度

  • 由回收材料制成

  • 100%可回收利用

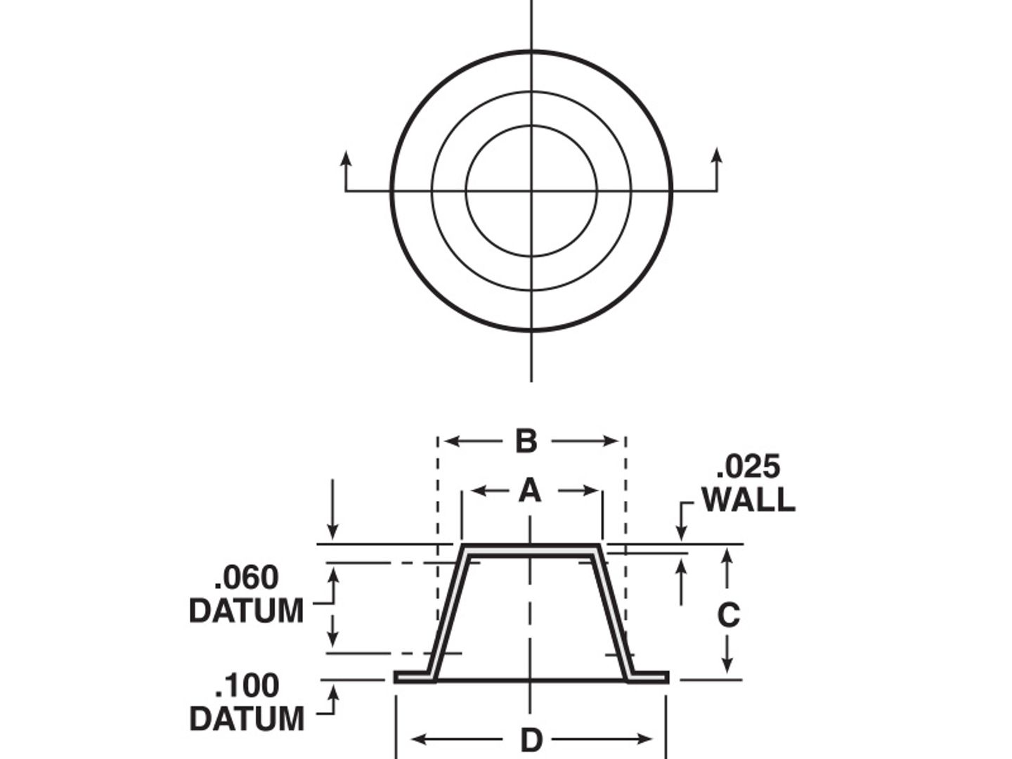
材料:90磅纸板

标准颜色:棕色

注:产品由吸湿性纸张制成。这意味着随着相对湿度的变化,可能会有较小的尺寸变化。

如需产品报价和交货期,敬请拨打电话400-828-9096联系我们的销售团队。

所有的目录产品均可提供免费样品供您试用。

采购选项

使用产品尺寸进行过滤
输入最小和最大测量值以过滤列表。
最小 (${filter.dimType=='inch'?'In':'MM'})
最大 (${filter.dimType=='inch'?'In':'MM'})
${total} 零件尺寸
${item.name}: ${item.list}
清除
Item # ${item.name}
${item.name} ${item[getFieldName(itemA)]}
没有数据.
请在订购前利用我们的免费样品在您的特定应用/环境中测试零件。