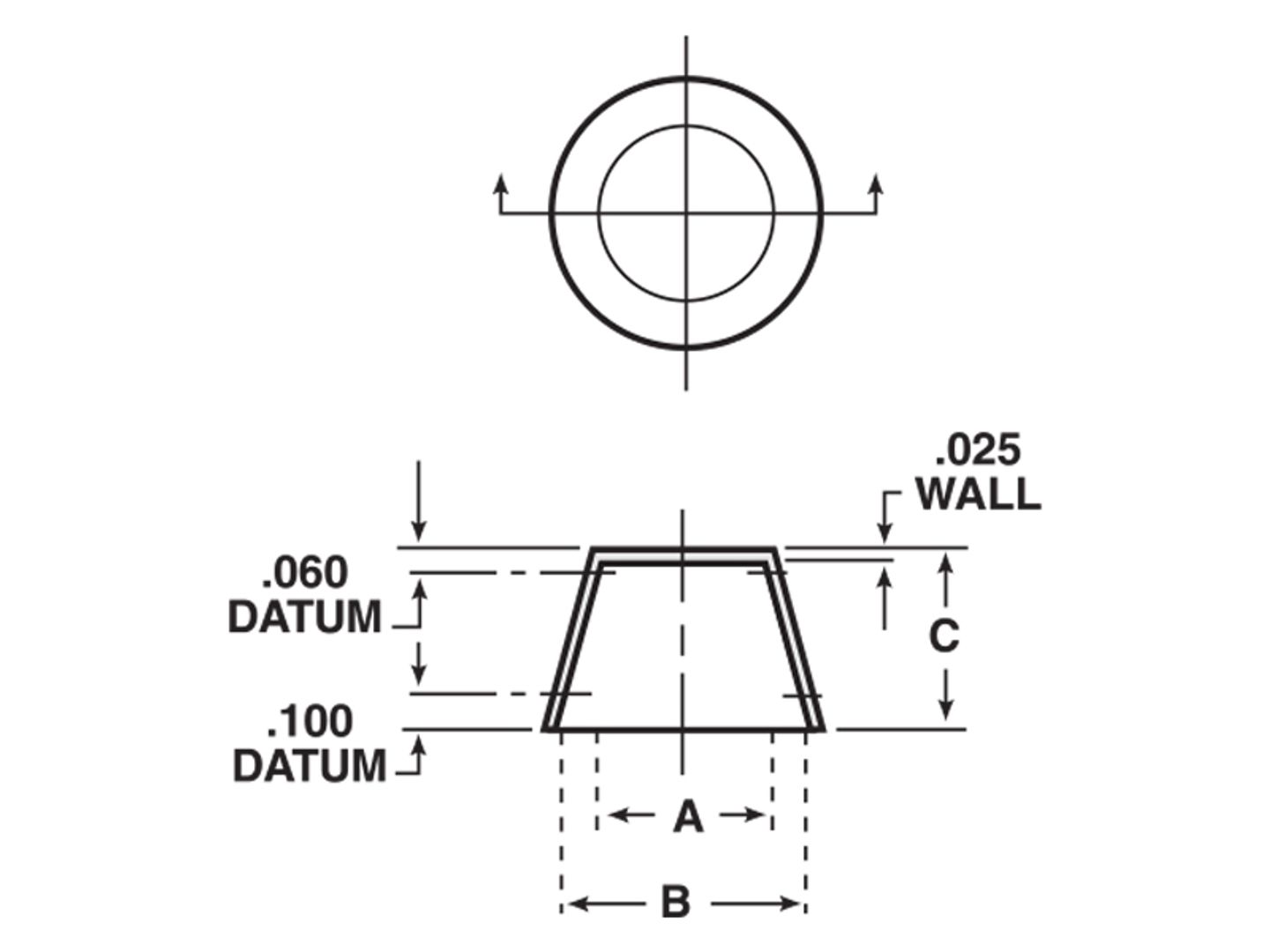
PTC 系列

纸质锥形保护帽

由100%可回收的天然纸张制成,PTC系列纸质锥形保护帽是有环保需求产品保护的理想选择。

  • 耐温可达204ºC (400ºF )

  • 由90%的原始纸浆和10%的再生纸混合制成

  • 100%可回收

材料:90磅纸板

标准颜色:棕色

注:制造产品的纸张具有吸湿性。这意味着随着相对湿度的变化,可能会有轻微的尺寸变化。

如需产品报价和交货期,敬请拨打电话400-828-9096联系我们的销售团队。

所有的目录产品均可提供免费样品供您试用。

采购选项

使用产品尺寸进行过滤
输入最小和最大测量值以过滤列表。
最小 (${filter.dimType=='inch'?'In':'MM'})
最大 (${filter.dimType=='inch'?'In':'MM'})
${total} 零件尺寸
${item.name}: ${item.list}
清除
Item # ${item.name}
${item.name} ${item[getFieldName(itemA)]}
没有数据.
请在订购前利用我们的免费样品在您的特定应用/环境中测试零件。