AS138 系列

AS138 电子连接器防尘帽

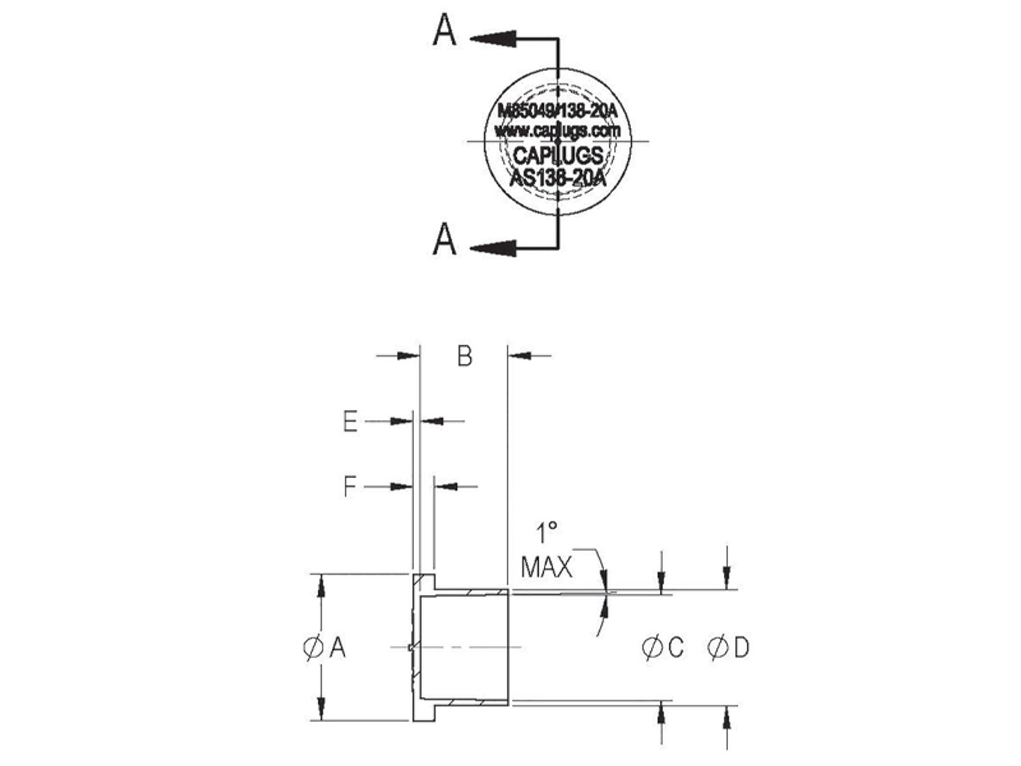
AS138系列设计为圆形电连接器的保护帽。

  • 可以满足新的SAE航空标准 AS85049/138的保护产品

  • 模具制作和刻字完全遵守AS85049/138标准

  • 刻字标明规格号、零件号、材料编码和安歌思产品型号,易于辨识

  • 根据不同规格,具有ESD符号

(SAE是美国机动车工程师协会的缩写,SAE航空航天质量标准是由AAQG与IAQG制定的重要文件的合集)

以下产品按照零件号升序排列,重复部分按材料编码区分。(A, B 和C).

材料编码:
A= LDPE (低密度聚乙烯)   颜色: 根据规格
B= 静电释放*  颜色: 黑色
C= 传导材料   颜色: 黑色


 标有材料编码C的产品是由传导材料制成:

  1. 表面电阻率小于 1 x 10e5 ohms/平方符合ASTM ,试验方法 D-257-78

  2. 满足静电衰减要求 MIL-PRF-81705E, 类型 II 和联邦测试方法标准 No. 101, 方法 4046

如需产品报价和交货期,敬请拨打电话400-828-9096联系我们的销售团队。

所有的目录产品均可提供免费样品供您试用。

采购选项

使用产品尺寸进行过滤
输入最小和最大测量值以过滤列表。
最小 (${filter.dimType=='inch'?'In':'MM'})
最大 (${filter.dimType=='inch'?'In':'MM'})
${total} 零件尺寸
${item.name}: ${item.list}
清除
Item # ${item.name}
${item.name} ${item[getFieldName(itemA)]}
没有数据.
请在订购前利用我们的免费样品在您的特定应用/环境中测试零件。