CSPP-SH 系列

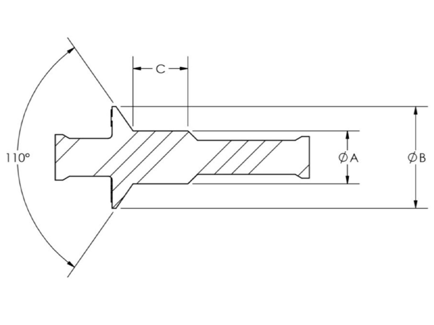
沉孔易拔塞

CSPP-SH系列保护塞用于掩盖沉孔的斜面,并与斜面下方的清孔紧密配合。由Ultrabake™材料制造,非常适合用于高温精加工工艺,如粉末涂层,电子涂层,电镀和阳极氧化。

  • 大直径的手柄更容易握住

  • 适合82度,90度和100度台面

材料:硅胶
颜色:根据尺寸

如需产品报价和交货期,敬请拨打电话400-828-9096联系我们的销售团队。

所有的目录产品均可提供免费样品供您试用。

采购选项

使用产品尺寸进行过滤
输入最小和最大测量值以过滤列表。
最小 (${filter.dimType=='inch'?'In':'MM'})
最大 (${filter.dimType=='inch'?'In':'MM'})
${total} 零件尺寸
${item.name}: ${item.list}
清除
Item # ${item.name}
${item.name} ${item[getFieldName(itemA)]}
没有数据.
请在订购前利用我们的免费样品在您的特定应用/环境中测试零件。