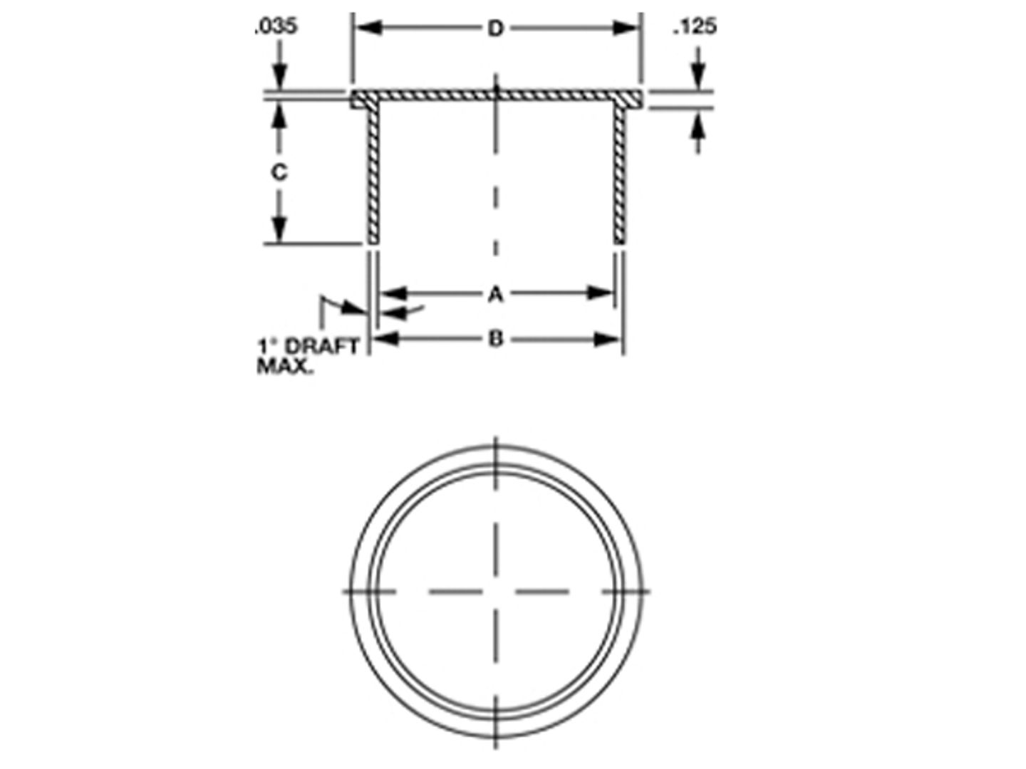
MSC 系列

ESD 连接器防静电保护帽/保护塞

MSC 系列保护帽和保护塞由 ICP(固有导电聚合物)化合物制成。

  • 非脱落材料:与坚硬的连接器表面摩擦,也不会破裂或留下痕迹。

  • 常用于军事和航空航天应用

  • 符合M 5501/31标准

本产品由导电材料制成,该导电材料:

  1. 抗阻达 1 x 10e5ohms/square,按 AST D-257-78要求生产

  2. 符合 MIL-PRF-81705E静电衰败要求,测试标准No. 101, 测试方法4046

请注意,由于内部更改,零件号已更新,请采用正确的材料代码。 

材料:ICP聚合物
标准颜色:黑色

如需产品报价和交货期,敬请拨打电话400-828-9096联系我们的销售团队。

所有的目录产品均可提供免费样品供您试用。


采购选项

使用产品尺寸进行过滤
输入最小和最大测量值以过滤列表。
最小 (${filter.dimType=='inch'?'In':'MM'})
最大 (${filter.dimType=='inch'?'In':'MM'})
${total} 零件尺寸
${item.name}: ${item.list}
清除
Item # ${item.name}
${item.name} ${item[getFieldName(itemA)]}
没有数据.
请在订购前利用我们的免费样品在您的特定应用/环境中测试零件。